Lefoo 2000 - 2025
Lefoo 2000 - 2025
راسلنا عبر البريد الإلكتروني

LFP1150T
مضخة توصيل حسب الطلب 24 فولت تيار مستمر

احصل على عرض أسعار احصل على عرض أسعار تحميل PDF تحميل PDF

بيانات ومنحنيات الأداء

تم اختبار البيانات عند ضغط مدخل 0 رطل لكل بوصة مربعة ، ودرجة الحرارة المحيطة ودرجة حرارة الماء 25 درجة مئوية ، والجهد الكهربي 24 فولت تيار مستمر. ما سبق هو بيانات اختبار الأنبوب. إذا تم استخدام أحجام أنابيب أخرى ، ستكون بيانات الاختبار مختلفة.


منحنى ارتفاع درجة الحرارة

يتم قياس منحنى ارتفاع درجة الحرارة من خلال درجة الحرارة المحيطة 25 ℃ ، وضغط مدخل 0PSI ، وضغط العمل 70PSI. من أجل ضمان سلامة المحرك ، تتجاوز درجة حرارة السكن حوالي 73مئوية، ويتم فصل الواقي الحراري لتبريد المحرك. سوف يعمل المحرك بشكل مستمر عندما يكون ارتفاع درجة الحرارة الفعلية للمحرك أقل من درجة حرارة فصل الحماية الحرارية. جميع بيانات الأداء ومنحنيات درجة الحرارة تقريبية ، وستختلف الظروف الفعلية حسب الظروف المحيطة مثل درجة الحرارة.


المعلمات
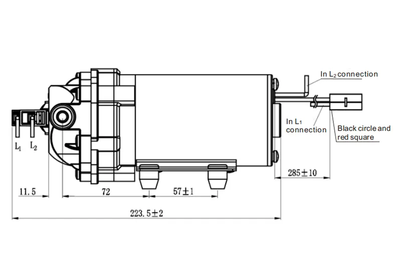
بعد
وثائق ورسومات
التطبيق ذو الصلة

المعلمات

معلمة الأداء

التفريغ
الضغط
/رطل لكل بوصة مربعة
معدل التدفق
/GPM
معدل التدفق
/LPM
الحالي
01.55.682
101.465.532.11
201.425.382.4
301.385.242.69
401.345.092.98
501.314.983.3
601.274.793.56
701.234.653.9


ضغط الإغلاق للاختيار

اختيارمصنفة
الجهد
مدخل المياه
الضغط
يعمل
معدل التدفق
يعمل
الحالي
شفطإيقاف تشغيل
الضغط
أقصى
الحالي
اتصال
LFP1150T-3007024 فولت العاصمة0 رطل لكل بوصة مربعة1.50GPM≤ 2.3 أ≥ 2 م70 رطل لكل بوصة مربعة≤ 4.3Aأو"
سريعة جانبية للإناث

موصل NPT3/8

خيط ملولب

LFP1150T-3006060 رطل≤ 4.0A
LFP1150T-3005050 رطل≤ 3.7 أ
LFP1150T-3004040 رطل لكل بوصة مربعة≤ 3.4 أ
LFP1150T-3003030PSI≤ 3.1 أ


بعد

بعد
بعد

وثائق ورسومات

التطبيق ذو الصلة

اتصل بنا
هل هناك أي حاجة لمنتجات ودعم LEFOO ؟
sales@lefoo.com
بريد إلكتروني
sales@lefoo.com
+86-0571-89363666
اتصل بنا
+86-0571-89363666
عنوان
عنوان
NO.220 Weishiwu Rd. Economic Development Zone, Yueqing Zhejiang, 325600, China.
Please choose your items of interest *
نستخدم ملفات تعريف الارتباط لتحسين تجربتك وإضفاء الطابع الشخصي عليها ، ولكن يمكنك اختيار إلغاء الاشتراك في ملفات تعريف الارتباط غير الأساسية.
لمعرفة المزيد ، اقرأ سياسة الخصوصية
رفض الكل
قبول الكل