Lefoo 2000 - 2025
Lefoo 2000 - 2025
راسلنا عبر البريد الإلكتروني

إل إف إم76
جهاز إرسال بالضغط التفاضلي مضاد للإنفجار

احصل على عرض أسعار احصل على عرض أسعار تحميل PDF تحميل PDF

جهاز إرسال الضغط التفاضلي LFM76 المقاوم للانفجار هو جهاز عالي الدقة وثبات عالي مصمم لبيئة مخاطر الانفجار. تم تجهيز lt بنطاقات ضغط اختيارية متعددة ، مع تعديل سهل في الموقع من خلال الأزرار. استخدام حاوية lp65 ، مناسبة لأنظمة إدارة الطاقة ، HVAC ، VAV والتحكم في المروحة ، التحكم في التلوث البيئي ، التحكم في الضغط وغطاء الدخان من خط أنابيب ثابت وغرفة نظيفة ، ضغط الفرن ، والتحكم في التهوية المرجل.

  • استخدام قلب الضغط الصغير MEMS ، بدقة عالية ونطاق درجة حرارة العمل الواسع.

  • شاشة LCD رقمية مع قراءة واضحة.

  • زر صفر متاح ، نطاق الضغط قابل للتعديل.

  • استقرار قوي ، عمر خدمة طويل.

  • السكن مستوى الحماية IP65.

مواصفة
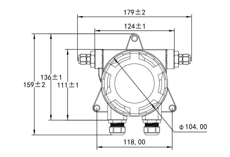
بعد
وثائق ورسومات
التطبيق ذو الصلة

مواصفة

قياس متوسطةهواء أو غاز محايد
نطاق الضغط± من من من أجل Pa ~ ± من أجل باسكال (حسب الطلب)
أكثر من الجهد10 كيلو باسكال ؛ 80 كيلو باسكال (من)
الدقة± ، وfs
درجة حرارة العمل-20 ℃ ~ 80 ℃
درجة حرارة التعويض-10C ~ 60 ℃
درجة حرارة التخزين-40 ℃ ~ 85 ℃
وقت الاستجابةAve s (افتراضي)/x s /2s /4s
درجة الحمايةIP65
توصيل الضغطتوصيل سريع من الفولاذ المقاوم للصدأ
إشارة الخرج4 ~ 20mA/0 ~ 10VDC/RS485
امدادات الطاقة ①12 ~ 30VDC/24VAC ±
تبديد الطاقة≤ W
مادة الغطاءألومنيوم مصبوب
الاتصالاتاجهة قياسية ، بروتوكول Modbus RTU
شهادةROHS, CE
شهادة مضادة للإنفجارEXdلLC T6 Gb
شاشة عرضشاشة LCD رقمية
الوزن (تقريبي)نج

عندما يتم تشغيل المنتج بواسطة طاقة التيار المتردد ، يوصى باستخدام مصدر طاقة تيار متردد معزول.


بعد

بعد
بعد

وثائق ورسومات

التطبيق ذو الصلة

اتصل بنا
هل هناك أي حاجة لمنتجات ودعم LEFOO ؟
sales@lefoo.com
بريد إلكتروني
sales@lefoo.com
+86-0571-89363666
اتصل بنا
+86-0571-89363666
عنوان
عنوان
NO.220 Weishiwu Rd. Economic Development Zone, Yueqing Zhejiang, 325600, China.
Please choose your items of interest *
نستخدم ملفات تعريف الارتباط لتحسين تجربتك وإضفاء الطابع الشخصي عليها ، ولكن يمكنك اختيار إلغاء الاشتراك في ملفات تعريف الارتباط غير الأساسية.
لمعرفة المزيد ، اقرأ سياسة الخصوصية
رفض الكل
قبول الكل