Lefoo 2000 - 2025
Lefoo 2000 - 2025
راسلنا عبر البريد الإلكتروني

إل إف إس72
جهاز إرسال سرعة الهواء مضاد للإنفجار

احصل على عرض أسعار احصل على عرض أسعار تحميل PDF تحميل PDF

جهاز إرسال سرعة الهواء مقاوم للانفجار LFS72 مناسب لقياس تدفق الغاز في البيئات المقاومة للانفجار. يمكن تحويل معدل تدفق الغاز إلى إشارة كهربائية ونقله إلى نظام التحكم. يمكن ضبط النطاق في الموقع من خلال الأزرار ، ويتم استخدام غلاف درجة الحماية IP65. Lt مناسب لأنظمة إدارة الطاقة ، والتحكم في ضغط الهواء والمروحة ، والتحكم في التلوث البيئي ، والتحكم في غطاء الدخان ، والتحكم في تهوية الفرن والغلاية وغيرها من المجالات.

  • قلب دقيق الضغط MEMS عالي الدقة ، دقة عالية ونطاق درجة حرارة تشغيل واسع.

  • شاشة رقمية LCD واضحة.

  • زر صفر متاح في الموقع ، نطاق سرعة الرياح قابل للتعديل.

  • استقرار قوي وعمر خدمة طويل.

  • IP65 درجة حماية الإسكان.

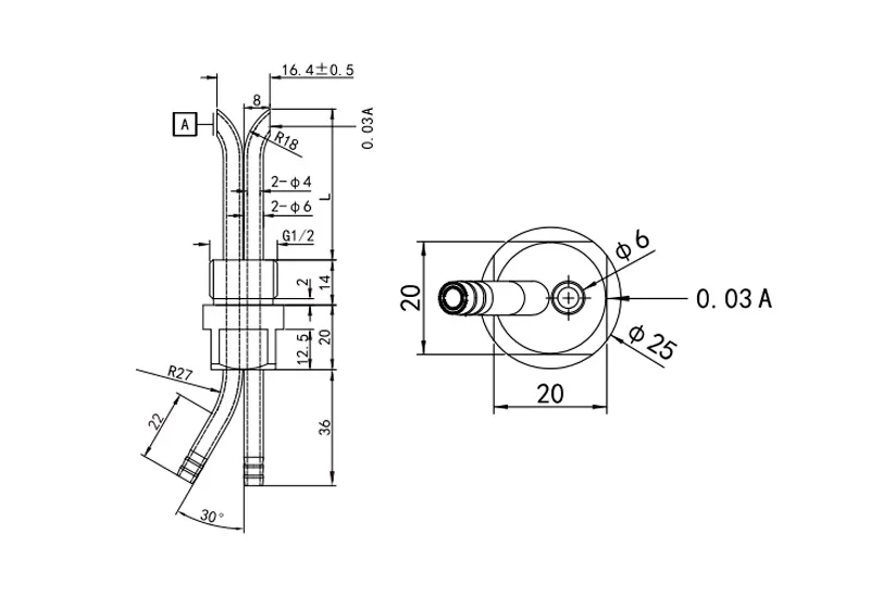
مواصفة
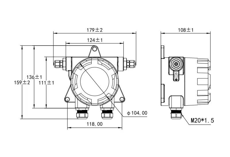
بعد
وثائق ورسومات
التطبيق ذو الصلة

مواصفة

قياس متوسطةهواء أو غاز محايد
النطاقالسرعة: 0 ~ 10 ، 0 ~ 20 ، 0 ~ 30 ، 0 ~ 40 (يمكن تخصيص النطاق.)
أكثر من الجهد10 كيلو باسكال
الدقة± ، FS (السرعة> 3)
درجة حرارة العملالجهاز المضيف: -20 ℃ ~ 80 ℃ ؛ مسبار: -40 ℃ ~ ، ℃
درجة حرارة التعويض-10 ℃ ~ 60 ℃
درجة حرارة التخزينالجهاز المضيف: -40 ℃ ~ 85 ℃
وقت الاستجابةAve s (افتراضي)/x s/2s /4s
درجة الحمايةIP65
توصيل الضغطتوصيل سريع من الفولاذ المقاوم للصدأ
إشارة الخرج4 ~ 20mA/0 ~ 10VDC/RS485
امدادات الطاقة ①12 ~ 30VDC/24VAC ±
تبديد الطاقة≤ W
مادة الغطاءألومنيوم مصبوب
الاتصالاتاجهة قياسية ، بروتوكول Modbus RTU
شهاداتROHS, CE
جيرت مضاد للانفجارEXd IIC T6 Gb
شاشة عرضشاشة LCD رقمية
الوزن (تقريبي)الجهاز المضيف: .. g


بعد

بعد
بعد

وثائق ورسومات

التطبيق ذو الصلة

اتصل بنا
هل هناك أي حاجة لمنتجات ودعم LEFOO ؟
sales@lefoo.com
بريد إلكتروني
sales@lefoo.com
+86-0571-89363666
اتصل بنا
+86-0571-89363666
عنوان
عنوان
NO.220 Weishiwu Rd. Economic Development Zone, Yueqing Zhejiang, 325600, China.
Please choose your items of interest *
نستخدم ملفات تعريف الارتباط لتحسين تجربتك وإضفاء الطابع الشخصي عليها ، ولكن يمكنك اختيار إلغاء الاشتراك في ملفات تعريف الارتباط غير الأساسية.
لمعرفة المزيد ، اقرأ سياسة الخصوصية
رفض الكل
قبول الكل