Lefoo 2000 - 2025
Lefoo 2000 - 2025
راسلنا عبر البريد الإلكتروني

إل إف إس71
جهاز إرسال سرعة الهواء المقاوم للانفجار

احصل على عرض أسعار احصل على عرض أسعار تحميل PDF تحميل PDF

إن جهاز إرسال سرعة الهواء مناسب لقياس تدفق الغاز في البيئات المقاومة للانفجار. يمكنه تحويل معدل تدفق الغاز إلى إشارة كهربائية ونقل إلى نظام التحكم. يمكن ضبط النطاق في الموقع من خلال الأزرار ، ويتم استخدام غلاف درجة الحماية IP65. إنها مناسبة لأنظمة إدارة الطاقة والتحكم في الهواء المروحة والتحكم في التلوث البيئي والتحكم في غطاء الدخان والتحكم في تهوية الفرن والمراجل وغيرها من المجالات.

  • قلب دقيق الضغط MEMS عالي الدقة ، دقة عالية ونطاق درجة حرارة تشغيل واسع.

  • شاشة رقمية LCD واضحة.

  • زر صفر متاح في الموقع ، نطاق سرعة الرياح قابل للتعديل.

  • استقرار قوي وعمر خدمة طويل.

  • IP65 درجة حماية الإسكان.

مواصفة
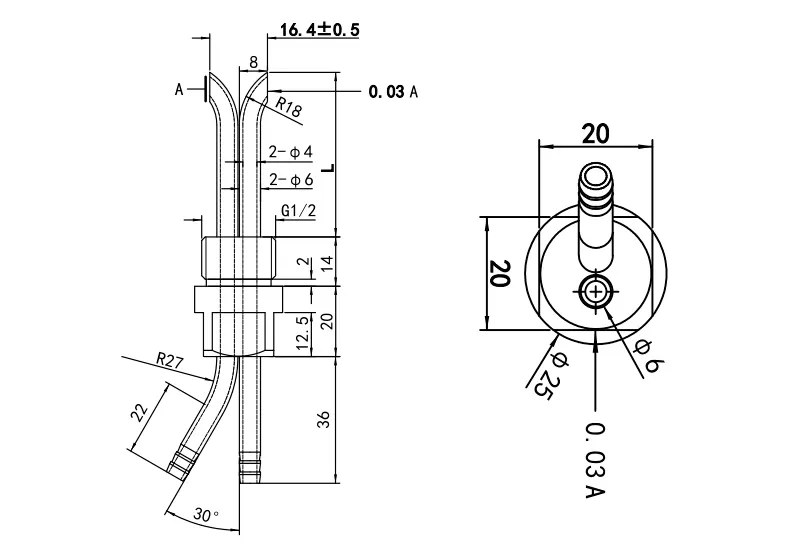
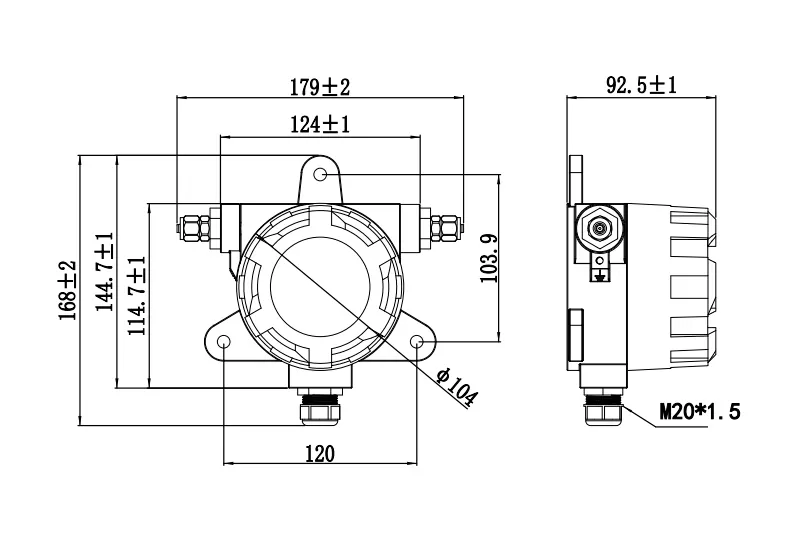
بعد
وثائق ورسومات
التطبيق ذو الصلة

مواصفة

متوسط

هواء أو غاز محايد

النطاق

السرعة: 0 ~ 10 ، 0 ~ 20 ، 0 ~ 30 ، 0 ~ 40 (يمكن تخصيص النطاق.)

أكثر من الجهد

10 كيلو باسكال

الدقة

± ، FS (السرعة> 3)

درجة حرارة التشغيل

الجهاز المضيف: -20 ℃ ~ 80 ℃ ؛ مسبار: -40 ℃ ~ ، ℃

درجة حرارة التعويض

-10 ℃ ~ 60 ℃

درجة حرارة التخزين

الجهاز المضيف: -40 ℃ ~ 85 ℃

وقت الاستجابة

Ave s (افتراضي)/x s/2s /4s

درجة الحماية

IP65

توصيل الضغط

توصيل سريع من الفولاذ المقاوم للصدأ

خرج الإشارة

4 ~ 20mA/0 ~ 10VDC/RS485

Supply① السلطة

12 ~ 30VDC/24VAC ±

استهلاك الطاقة

≤ W

مواد صلصه

ألومنيوم مصبوب

الاتصالات

اجهة قياسية ، بروتوكول Modbus RTU

شهادات

ROHS, CE

درجة مضادة للإنفجار

EXd IIC T6 Gb

شاشة عرض

شاشة LCD رقمية

الوزن (تقريبي)

الجهاز المضيف: ① g

① عندما يتم تشغيل المنتج بواسطة طاقة التيار المتردد ، يوصى باستخدام مصدر طاقة تيار متردد معزول.


بعد

بعد
بعد

وثائق ورسومات

التطبيق ذو الصلة

اتصل بنا
هل هناك أي حاجة لمنتجات ودعم LEFOO ؟
sales@lefoo.com
بريد إلكتروني
sales@lefoo.com
+86-0571-89363666
اتصل بنا
+86-0571-89363666
عنوان
عنوان
NO.220 Weishiwu Rd. Economic Development Zone, Yueqing Zhejiang, 325600, China.
Please choose your items of interest *
نستخدم ملفات تعريف الارتباط لتحسين تجربتك وإضفاء الطابع الشخصي عليها ، ولكن يمكنك اختيار إلغاء الاشتراك في ملفات تعريف الارتباط غير الأساسية.
لمعرفة المزيد ، اقرأ سياسة الخصوصية
رفض الكل
قبول الكل