Lefoo 2000 - 2025
Lefoo 2000 - 2025
راسلنا عبر البريد الإلكتروني

إل إف تي710
جهاز إرسال الضغط التفاضلي من السيليكون أحادي البلورية

احصل على عرض أسعار احصل على عرض أسعار تحميل PDF تحميل PDF

يستخدم جهاز إرسال الضغط التفاضلي LFT710 رقاقة مستشعر سيليكون كريستالية واحدة تعتمد تقنية MEMS المتقدمة الألمانية. يحتوي على عنصر تعويض درجة الحرارة المدمج ودقة قياس عالية للغاية وثبات طويل الأجل على نطاق واسع من الضغط الساكن واختلافات درجة الحرارة. يمكنه قياس مستوى وكثافة وضغط الغاز السائل والبخار. يستخدم على نطاق واسع في التحكم في العمليات الصناعية ، والتصنيع الآلي ، وصناعة السيارات والمركبات البحرية والبترول والبتروكيماويات ، والطاقة الإلكترونية ، والطبية والصحية والعديد من المجالات الأخرى.


LFT710 يمكنه قياس الضغط التفاضلي بدقة وتحويله إلى إشارة خرج تيار مستمر 4-20 مللى ويمكن تشغيله محليًا من خلال ثلاثة أزرار ، وتشغيله عن بعد بواسطة جهاز اتصال للأغراض العامة ، برنامج تكوين ، وتطبيق الهاتف المحمول ، لإجراء ضبط العرض والتكوين دون التأثير على إشارة خرج 4-20 mADC.


الميزات
المعلمات
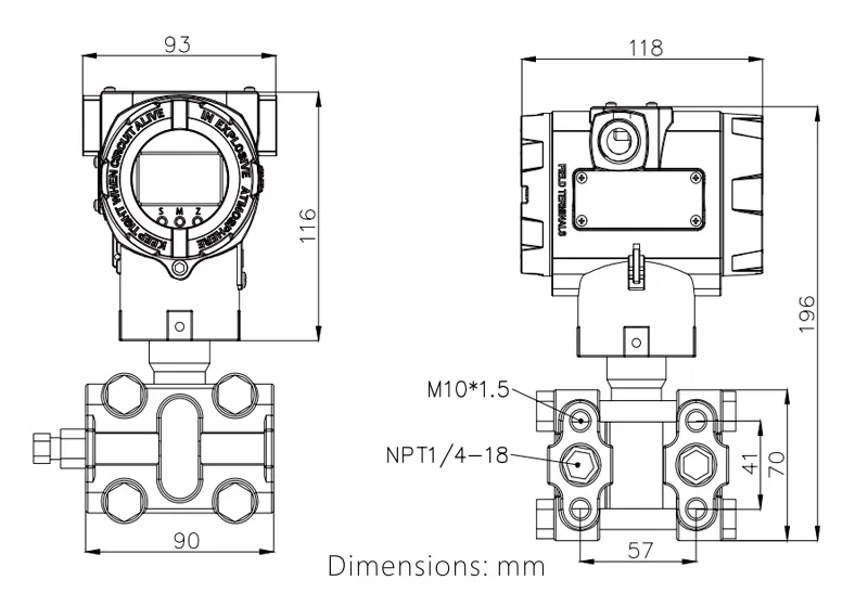
بعد
وثائق ورسومات
التطبيق ذو الصلة

الميزات

  • مستشعر ضغط عالي الدقة باستخدام جهاز MEMS أحادي البلورية من السيليكون.

  • زمن استجابة سريع ، ثبات عالي ، دقة القياس.

  • يمكن أن تصل نسبة المدى الأقصى إلى: 1.

  • اعتماد تكنولوجيا حماية الزائد المزدوج ، قدرة التحميل الزائد القوية ، الضغط في اتجاه واحد يصل إلى 10MPa.

  • توفير وضع اتصال ناقل هارت القياسي ، والتشخيص الذاتي المثالي ووظيفة الاتصال عن بعد.

  • شاشة LCD عالية السطوع مع إضاءة خلفية ، شاشة عرض محلية قابلة للعكس.

  • مريحة في مكان حلقة الحالية وظيفة المعايرة.

  • وظيفة التصفير في المكان ، نقطة الصفر في المكان ، إعداد نقطة كاملة ووظيفة الضبط.

  • و 4 ~ 20mA هارت وضعين الإخراج.

المعلمات

نطاق القياس

6KPa ، 40KPa ، 250KPa ، 1MPa ، 3MPa

ضغط الزائد

ضغط زائد من جانب واحد 16MPa

ضغط ثابت

10MPa ، 16MPa ، 25MPa

الدقة

± من من

الاستقرار

± ، النطاق العلوي

درجة حرارة التشغيل

-20 ~ 70 ℃ مع شاشة عرض

درجة حرارة التخزين

-40 ~ 85 ℃

وسائل الإعلام التي يمكن قياسها

غاز سائل

مادة الحجاب الحاجز

316L ، Hastelloy ج ، التنتالوم

الأداء الكهربائي

2 سلك

4 أسلاك

إشارة الخرج

4 ~ 20mA

4 ~ 20mA هارت

RS485

مزود طاقة

12 ~ 36VDC

12 ~ 36VDC

12 ~ 36VDC

وصلة كهربائية

سلك منفذ مقاوم للماء M20 * ، سلك منفذ NPT1/2 مقاوم للماء

مستوى حماية العلبة

IP65

واجهة ضغط

H-نوع البناء مع NPT1/4 خيط الإناث على شفة الغرفة ، مع تركيب الطيار ، مع شفة الخصر

نوع الضغط

مقياس الضغط G

عناصر Cerification

ExdIICT6 ، CE


بعد

بعد
بعد

وثائق ورسومات

التطبيق ذو الصلة

اتصل بنا
هل هناك أي حاجة لمنتجات ودعم LEFOO ؟
sales@lefoo.com
بريد إلكتروني
sales@lefoo.com
+86-0571-89363666
اتصل بنا
+86-0571-89363666
عنوان
عنوان
NO.220 Weishiwu Rd. Economic Development Zone, Yueqing Zhejiang, 325600, China.
Please choose your items of interest *
نستخدم ملفات تعريف الارتباط لتحسين تجربتك وإضفاء الطابع الشخصي عليها ، ولكن يمكنك اختيار إلغاء الاشتراك في ملفات تعريف الارتباط غير الأساسية.
لمعرفة المزيد ، اقرأ سياسة الخصوصية
رفض الكل
قبول الكل