Lefoo 2000 - 2025
Lefoo 2000 - 2025
راسلنا عبر البريد الإلكتروني

إل إف جي202
جهاز إرسال مراقبة CO2 مجاري

احصل على عرض أسعار احصل على عرض أسعار تحميل PDF تحميل PDF

جهاز إرسال ثاني أكسيد الكربون بقناة LFG202 يعتمد على غازات مختلفة لها قدرات امتصاص مختلفة للضوء بالأشعة تحت الحمراء في نطاق معين. يقيس تركيز الغاز المقاس عن طريق قياس درجة امتصاص ضوء الأشعة تحت الحمراء. مقارنة مع أجهزة الاستشعار الكهروكيميائية ، لديها حياة طويلة واستقرار جيد. يتم استخدام مستشعر NDIR المستورد عالي الأداء لقياس تركيز ثاني الأكسجين ، مع استجابة سريعة وأداء مستقر ودقة عالية ؛ نطاق إمداد طاقة واسع ومستوى حماية عالٍ للقشرة ، والتي يمكن أن تتكيف مع مختلف الظروف القاسية في الموقع. يمكن استخدامه على نطاق واسع في قياس تركيز ثاني أكسيد الكربون في القنوات والمكاتب وورش المصنع والمختبرات وغيرها من البيئات.

  • مستشعر NDIR عالي الأداء مستورد.

  • المستشعر خالي من الأكسجين وله عمر خدمة يزيد عن 5 سنوات.

  • يمنع تصميم الغشاء الداخلي المقاوم للماء والتهوية بشكل فعال دخول بخار الماء.

  • استقرار وموثوقية جيدين على المدى الطويل ، مع معايرة ذاتية ABC.

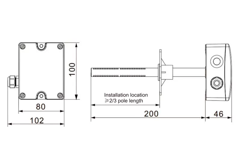
مواصفة
بعد
وثائق ورسومات
التطبيق ذو الصلة

مواصفة

وضع الإخراج

4 ~ 20mA(3 أسلاك)

0 ~ 5 فولت (3 أسلاك)

0 ~ 10 فولت (3 أسلاك)

RS485(3 أسلاك)

الجهد العمل

10-30Vdc

10-30Vdc

16-30 فولت تيار مستمر

10-30Vdc

مستشعر

مستشعر NDIR مع ABC معايرة ذاتية

تيار متوسط

أقل من 40 مللي أمبير

درجة حرارة العمل

0 ℃ ~ 50 ℃

الرطوبة العمل

0-صقيع (بدون صقيع)

قياس التركيز

0-2000PPM/0-5000PPM

الدقة

±(40PPm + 1000 MV) جزء في المليون

وقت الاستجابة

2 دقيقة

طبقة حماية

ShellIP65/مسبار IP30

التوافق الكهرومغناطيسي

EN61326-1

خدمة الحياة

> 5 سنوات


بعد

بعد

وثائق ورسومات

التطبيق ذو الصلة

اتصل بنا
هل هناك أي حاجة لمنتجات ودعم LEFOO ؟
sales@lefoo.com
بريد إلكتروني
sales@lefoo.com
+86-0571-89363666
اتصل بنا
+86-0571-89363666
عنوان
عنوان
NO.220 Weishiwu Rd. Economic Development Zone, Yueqing Zhejiang, 325600, China.
Please choose your items of interest *
نستخدم ملفات تعريف الارتباط لتحسين تجربتك وإضفاء الطابع الشخصي عليها ، ولكن يمكنك اختيار إلغاء الاشتراك في ملفات تعريف الارتباط غير الأساسية.
لمعرفة المزيد ، اقرأ سياسة الخصوصية
رفض الكل
قبول الكل