Lefoo 2000 - 2025
Lefoo 2000 - 2025
راسلنا عبر البريد الإلكتروني

LF20V
مفتاح ضغط التفريغ

احصل على عرض أسعار احصل على عرض أسعار تحميل PDF تحميل PDF

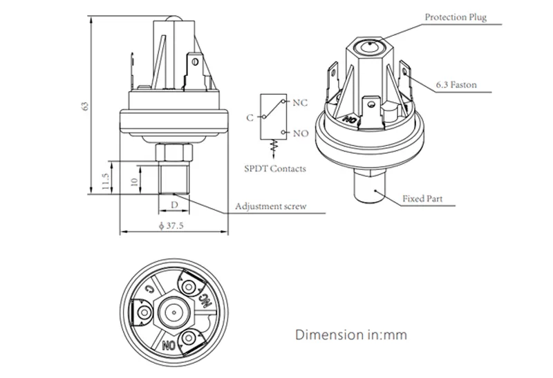
تم تصميم مفتاح الفراغ خصيصًا للوقوف في وجه تطبيقات الخدمة الممتدة. هذا المفتاح هو عامل y مجموعة. يتميز بحجاب حاجز مطاطي من السيليكون الفلوري للتوافق مع مجموعة واسعة من السوائل ، وعمليات إنهاء مختلفة بما في ذلك موصل حزمة متري يشكل غلقًا ضيدًا عند الاتصال. من بين مزايا التصميم المتميزة البناء المتين ، والحجم الصغير ، وسلامة نقاط المجموعة المحسنة.


المعلمات
بعد
وثائق ورسومات
التطبيق ذو الصلة

المعلمات

نموذجLF20-V
وسائطهواء
نقطة مجموعة الضغطمجموعة y للعامل من ، إلى 22 في/Hg فراغ
أقصى ضغط التشغيلفراغ 30 في/Hg
ضغط انفجاربسي
نطاق درجة حرارة الفلين-40 ℃ إلى 0.3 ℃
نوع المفتاحالعمل المباشر ، اتصال شفرة
تصنيف كهربائيمقاوم: 15AMP-6VDC ، 8AMP-12VDC ، 4AMP-24VDC
حثي: 1AMP-120VAC ، 0.5amp-240vac
ترتيب الاتصالوسي ، نورث كارولاينا
المحطة الطرفية#8-32 مسامير ، شفرة ، حزمة متري
اتصال"ذكر NPT ،" NPT Male ، G1/8 "Male ، G1/4" Male
موادالاتصال: سبائك الفضة ، مطلية بالذهب ؛ قاعدة: الفولاذ المطلي ؛
الغطاء: جليي بوليستر مقوى ؛ الحجاب الحاجز: المطاط الصناعي الفلوروسيليكون
خياراتأحجام موصل قاعدة مختلفة ، يؤدي الأسلاك (بوعاء ومختومة)

التحويل: 1kgf/cm² = 14.2psi 1bar = 14.5psi 1 in/Hg = 0.49psi



الرقممجموعة نقطة مجموعة الضغطدوائرالمادة الأساسيةاتصالمحطات طرفيةغطاء
0/////لا شيء
1Ung-3 "Hg (15-41" H20) ± "HgSPST-NCبارس1/8 قطعصلهتغطية أ
24-8 بوصة Hg ± 1 بوصة HgSPST-NOفولاذ مطلي1/4 بت#8-32 مساميرغطاء ب
39-17 "Hg ± 2" Hg/الفولاذ المقاوم للصدأR1/8يؤدي الأسلاك/
418-22 بوصة Hg ± 3 بوصة Hg//R1/4//
5///G1/8//
6///غ 1/4//


بعد

بعد

وثائق ورسومات

التطبيق ذو الصلة

اتصل بنا
هل هناك أي حاجة لمنتجات ودعم LEFOO ؟
sales@lefoo.com
بريد إلكتروني
sales@lefoo.com
+86-0571-89363666
اتصل بنا
+86-0571-89363666
عنوان
عنوان
NO.220 Weishiwu Rd. Economic Development Zone, Yueqing Zhejiang, 325600, China.
Please choose your items of interest *
نستخدم ملفات تعريف الارتباط لتحسين تجربتك وإضفاء الطابع الشخصي عليها ، ولكن يمكنك اختيار إلغاء الاشتراك في ملفات تعريف الارتباط غير الأساسية.
لمعرفة المزيد ، اقرأ سياسة الخصوصية
رفض الكل
قبول الكل